SV20
Description
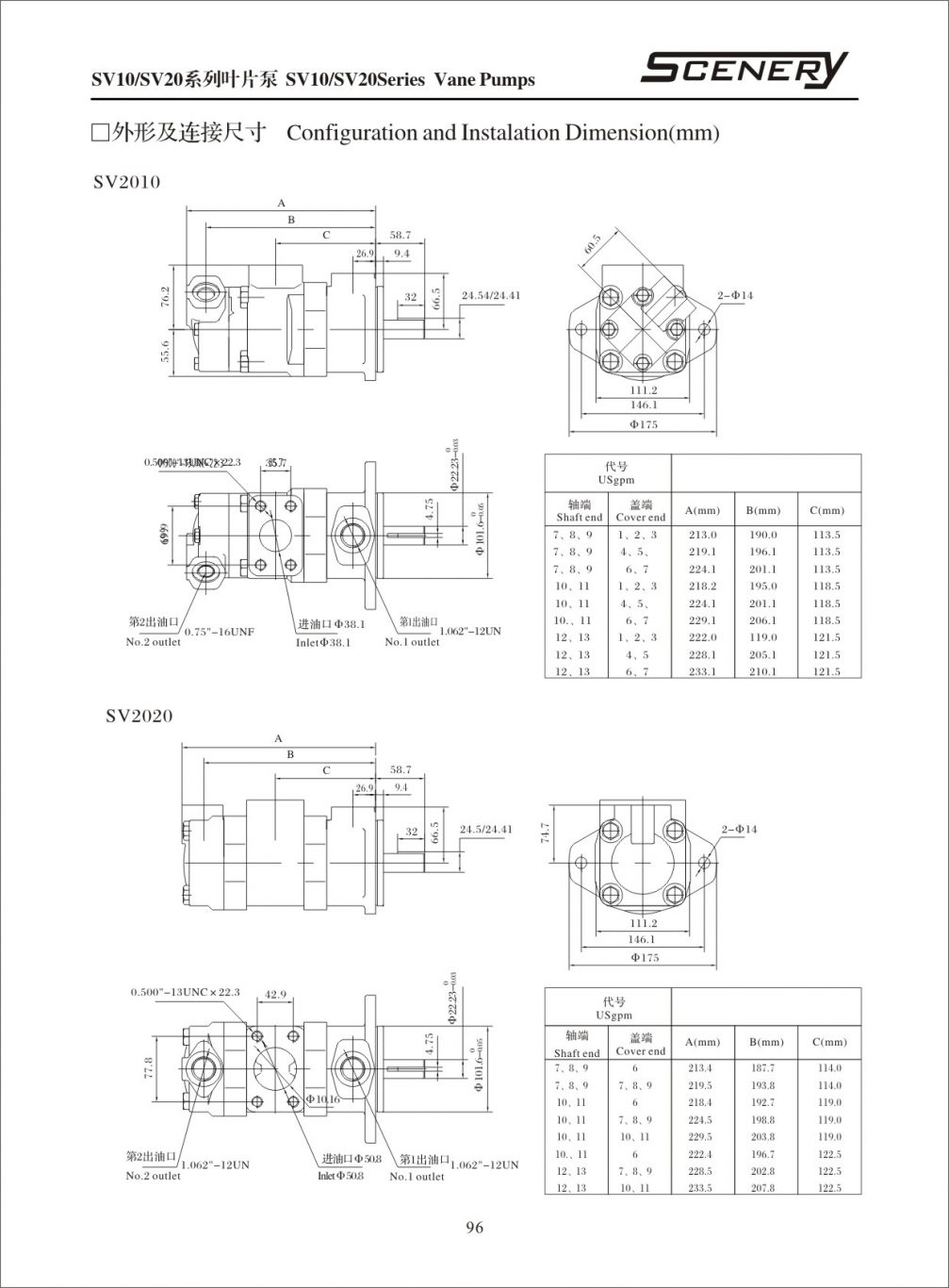
Bơm cánh gạt ( Vane pump)
- Sử dụng nguyên lý cánh gạt để tạo áp suất
- Thông số tiêu chuẩn hãng VICKER, EATON, TOKIMEC
- Lưu lượng từ 6 ~ 13 Gallon
- Áp xuất 0 ~ 175 Bar
- Vòng tua sử dụng 600 ~ 1800 rpm
- Ứng dụng rộng rãi vào hệ thống máy ép thủy lực trong công nghiệp và hệ thống thủy lực các loại xe cơ giới thủy lực…..













Reviews
There are no reviews yet.