BHP3B1
Description
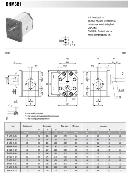
Bơm bánh răng ( Gear pump)
- Sử dụng nguyên lý hai bánh răng kép ngoài để tạo áp suất
- Thông số tiêu chuẩn hãng KAYABA, YOYANG, ASADA,HYDROMAX, HYSTAR, GHP……
- Lưu lượng từ 20 ~ 71 lpm
- Áp xuất 0 ~ 210Bar
- Vòng tua sử dụng 600 ~ 1800 rpm
- Ứng dụng rộng rãi vào hệ thống máy ép thủy lực trong công nghiệp và hệ thống thủy lực các loại xe cơ giới thủy lực…..













Reviews
There are no reviews yet.